

該產品是充油密封型。原理同密封型電力變壓器。非晶合金的基礎元素是鐵、鎳、鈷、硅、硼、碳等組成。是一種向同性的軟磁材料,磁化功率小,不存在阻礙疇壁移動的結構缺陷,厚度極薄,只有0.027mm,填充系數相應變小,只有0.75~0.8,電阻率很高,是硅鋼板的3~6倍,硬度是硅鋼片的5倍,非晶合金材料對應力特別敏感。
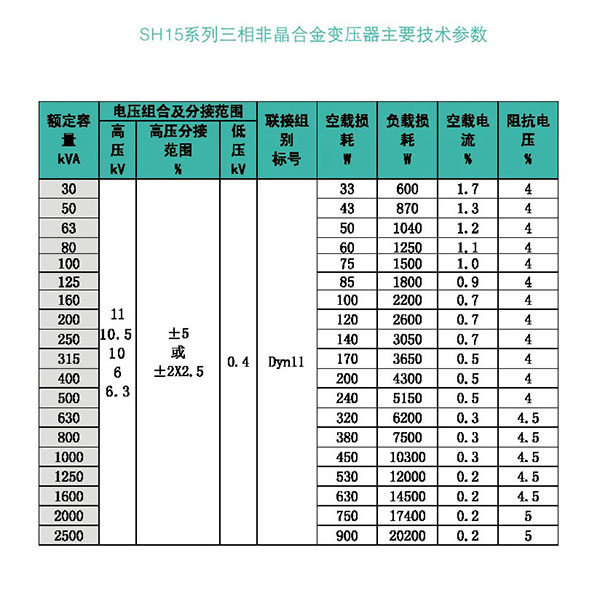
SH15-M-30~2500/6~10系產品,空載損耗在GB/T6541標準值基礎上下降70%。執行標準GB/T25446-2010《油浸式非晶合金鐵心配電變壓器技術參數》。
SBH15—M非晶合金油浸式變壓器可用于高層建筑、商業中心、地鐵、機場、車站、工礦企業和發電廠,適用易燃、易爆和防火要求高的場SBH-M/10能效系列非晶合金變壓器就是用非晶合金材料代替硅鋼片制造變壓器。它與S.11系列變壓器相比,空載損耗下降60~70%,負載損耗下降5~15%,具有明顯的節能環保效益。非晶合金是將鐵、硼、硅、鎳、鈷和碳等為主的材料熔化后,采用快速急冷凝固工藝,使鋼液到金屬薄片一次成型。其磁化功率小,從而能大幅度降低空載損耗和空載電流。低壓線圈采用箔式結構,增強產品的抗短路能力;采用Dyn11聯結,減少高次諧波對電網的影響,改善供電質量;鐵心及線圈采用特殊的夾持方式,并在重要部位加入特殊的襯墊,以減少機械應力對鐵心損耗的影響,同時降低噪聲。SBH-M/10能效系列非晶合金變壓器就是用非晶合金材料代替硅鋼片制造變壓器。它與S11系列變壓器相比,空載損耗下降60~70%,負載損耗下降5~15%,具有明顯的節能環保效益。非晶合金是將鐵、硼、硅、鎳、鈷和碳等為主的材料熔化后,采用快速急冷凝固工藝,使鋼液到金屬薄片一次成型。其磁化功率小,從而能大幅度降低空載損耗和空載電流。低壓線圈采用箔式結構,增強產品的抗短路能力;采用Dyn11聯結,減少高次諧波對電網的影響,改善供電質量;鐵心及線圈采用特殊的夾持方式,并在重要部位加入特殊的襯墊,以減少機械應力對鐵心損耗的影響,同時降低噪聲。
